Опора МАКС РОЛТЭК

В наличии

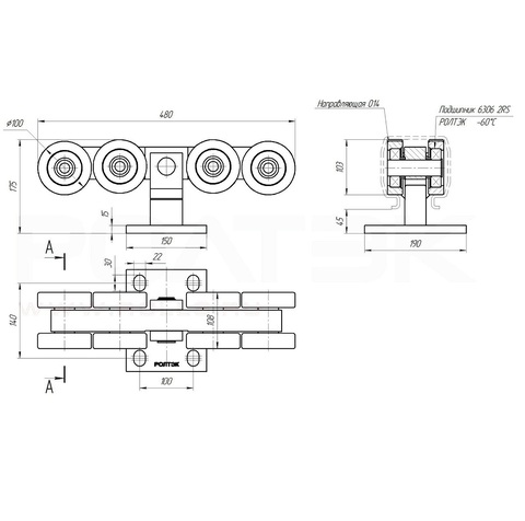
Профессиональная 8-роликовая опора с цельной плитой, обеспечивающей высокую прочность. Конструкция опор обеспечивает их саморегулируемость и непрерывный контакт с направляющей не менее 6 роликов одновременно. Опора МАКС используется в системах с направляющими рельсами МАКС.

Опора МАКС - высокотехнологичное изделие, разработана выдерживать значительно большие нагрузки, чем требуется для перемещения створки ворот весом 2 тонны. Срок службы откатных ворот с использованием системы МАКС значительно увеличен.

Роликовые опоры в конструкции откатных самонесущих ворот воспринимают нагрузки от створки ворот и передают их на фундамент, обеспечивают перемещение створки в направлениях, предусмотренных конструкцией ворот.

 

Особенности конструкции роликовых опор МАКС

В опорах используются усиленные подшипники 6306.2RS (ГОСТ 8882-75) со специальной негигроскопичной (не впитывающей влагу) низкотемпературной смазкой (до -60°), которые изготавливаются по специальному заказу РОЛТЭК и имеют маркировку «РОЛТЭК -60°». Резиновое двустороннее уплотнение обеспечивает герметичность подшипников. Низкотемпературные подшипники при низких температурах снижают нагрузку на автоматический привод, что увеличивает срок службы привода, а также позволяет устанавливать привод с меньшим запасом по мощности. Стопорное кольцо на центральной оси оцинковано и защищено от коррозии.

 

Все эти параметры увеличивают срок службы откатных ворот, работающих на комплектующих РОЛТЭК.

 

Данное изделие полностью готово к монтажу и не требует обслуживания весь срок эксплуатации. При монтаже рекомендуется учитывать правила регулировки опор См. в разделе файлы для скачивания.

 

Внимание! Во время выполнения сварочных работ при монтаже конструкции откатных (сдвижных) ворот необходимо исключить возможность протекания сварочного тока через подшипники опор.

 

Характеристики:

Код опоры 008
Используется с направляющими рельсами МАКС
Длина направляющей рельсы до 12 м.
Темпкратурный режим эксплуатации несущих опор  от -60°С до +90°С

 

 

Внимание! При изготовлении откатных самонесущих ворот створку необходимо делать максимально жесткой, чтобы она выдерживала изгиб под собственным весом. См. в разделе файлы для скачивания.

Вендор: РОЛТЭК
Мы выполняем услуги по монтажу всего оборудования, представленного на нашем сайте. Оформите заявку, и опытный инженер свяжется с Вами в ближайшее время.
Подробнее об услугах монтажа и установки оборудования.
Заказ в один клик